 
                    Contenido
¿Vives en una casa con más de 30 años de antigüedad? ¿Te saltan muy a menudo los plomos? ¿Huele raro cuando enchufas aparatos a la red? Más que mudarte —que también— lo que seguramente necesites sea hacer una reforma de la instalación eléctrica.
Y cuando decimos "hacer" nos referimos a que contrates a un instalador homologado para que proceda por ti, de acuerdo a los requisitos y procesos del CIE (certificado de instalación eléctrica). Esto, eso sí, no te exime de conocer un poco cómo funciona tu propia casa.
Ten en cuenta que esto es un procedimiento bastante complejo que requiere de conocimientos técnicos. Vamos, que muchas cosas solo las entenderán los electricistas. Por eso queremos resumirlo en torno a los conceptos básicos.
Ya te hemos dado un pequeño avance. Si la casa en la que resides tiene más de 30 o 40 años y su instalación eléctrica nunca ha pasado por una reforma, lo más seguro es que te toque enfangarte. No es tanto una cuestión de ahorro como sí de seguridad.
Así, deberías contactar con la empresa que quieres que te arregle la vivienda si:
Quizás sea la fase más importante de cara a no cometer errores. Antes de ponerte manos a la obra (o de autorizar que así sea), deberías empaparte bien del REBT (Reglamento Electrotécnico para Baja Tensión). Lo puedes encontrar [aquí].
Además siempre debes cortar el suministro eléctrico con el interruptor general, y utilizar herramientas y productos homologados. Todo ello viene reflejado en el propio REBT. ¿Listo? Ahora vete de compras para hacerte con estas herramientas:
Luego tendrás que valorar si necesitas hacer proyecto o no. Esto no es más que un documento oficial que avala la instalación eléctrica. Debe ser redactado y firmado por un técnico titulado, y contener planos detallados de la instalación.
Es obligatorio en edificios con una potencia prevista mayor de 100 kW por caja general de protección, y en viviendas unifamiliares con una previsión de más de 50 kW. También existe una memoria técnica técnica, pero no aplica en estos casos.
Ya ves que lo de la reforma de la instalación eléctrica no es como cambiar una bombilla. En nuestra opinión lo mejor es que acudas a una empresa homologada. El REBT las denomina IBTB para diferenciarlas de las especialistas (IBTE).
¿Cómo saber si cumple con la normativa? Bueno, puedes exigir algunos de estos avales:
Es una pregunta difícil de responder. El precio de una instalación eléctrica varía en función de mil cosas: rozas, canalización, aires acondicionados, números de tomas, calidad de los materiales, sistemas de calefacción eléctricos, etc.
Además cada empresa instaladora te dará un precio u otro después de analizar tu propuesta. El tamaño de la vivienda y la complejidad de la instalación también juegan un papel crucial a la hora de establecer el presupuesto.
Te damos las cifras de Habitissimo, una plataforma especializada en reformas. Pero ya avisamos de que lo mejor es que preguntes tú mismo y luego hagas una comparativa para conseguir el mejor precio.
| PROCESO | precio medio (€) | tamaño vivienda (m2) | 
|---|---|---|
| Reforma de instalación eléctrica en piso | 4000 € | 100 m2 | 
| Reforma de instalación eléctrica en local comercial | 6000 € | 200 m2 | 
| Reforma de instalación eléctrica en vivienda unifamiliar | 5000 € | 120 m2 | 
| Reforma de instalación eléctrica en cocina | 2000 € | 15 m2 | 
| Cambiar cableado en vivienda | 1500 € | 100 m2 | 
| Instalar toma de tierra | Desde 200 € | X | 
| Cambiar cuadro eléctrico en vivienda | Desde 500 € | 
La mano de obra se paga a unos 18-25 €/hora. A esto suma que si la instalación es muy antigua habrá que redimensionarla para aumentar las tomas y luego legalizarlo. Además, si sumas el cambio de la tubería Bergman ya puedes hasta doblar el presupuesto.
¿Qué más? Tener que abrir rozas para instalar los tubos aumentaría el coste total en torno a un 10%, y expedir el CIE otros 150 euros (solo cuando se aumenta potencia o se cambia de monofásica a trifásica). Ah, y los materiales suelen representar un 60% de la inversión.
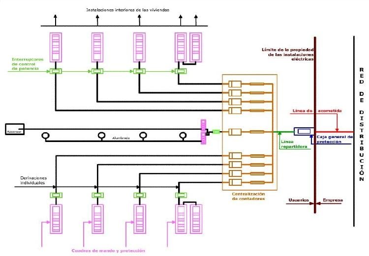
Hay que diferenciar bien entre la instalación eléctrica externa del edificio, también conocida como "instalación de enlace" y la instalación interna de la propia vivienda, con sus puntos de luz y sus tomas de corriente. En cada una hay fases de actuación diferentes.
Para reformar la instalación eléctrica antes hay que dominar el funcionamiento y la localización de la instalación de enlace que conecta al edificio con la red eléctrica general.
 
 Lo primero que hay que explicar aquí es el concepto de "tierra" o "toma de tierra". Hablamos de una derivación que protege de descargas eléctricas en caso de contacto con el circuito. Se la conoce como "T.T."
Resumiendo: en el circuito la corriente va por el conductor de la fase hasta los distintos aparatos eléctricos, y luego vuelve al generador por el neutro. Ahora imaginemos que hay un cable pelado en contacto con la carcasa metálica del aparato.
La corriente pasaría por la propia carcasa en baja tensión. Ahí llega alguien a hacerse unas tostadas y se queda pegada. Recordemos que la corriente siempre busca el camino más sencillo y directo a tierra.
Así, la toma de tierra es un cable de color verde-amarillo paralelo a la instalación (te dejamos la imagen debajo) que conecta el aparato directamente a la tierra. Es decir, que se hunde literalmente en el suelo.

Dicho esto, pasemos a los distintos componentes que forman la instalación eléctrica de la vivienda; lo que verás si abres paredes y cajetines en casa.
Son los encargados de llevar la electricidad hasta los receptores (puntos de luz y tomas de corriente o enchufes). Lo mínimo es que haya 5 para una potencia contratada básica de 5.750 W. Todos ellos llevan fase, neutro y T.T. y son independientes entre sí.
Donde se separan los circuitos. Es el CGMP que hemos mencionado antes. Aquí veremos los componentes más conocidos de la gestión eléctrica diaria. Lo que solemos llamar "palanquitas".Antiguamente contenía el ICP, pero ahora va integrado en el contador digital.
ICP: va precintado y es propiedad de la distribuidora. Por eso manipularlo es ilegal y puede acarrear multas. Salta si la suma de potencia demandada es superior a la contratada.
| Nivel de electrificación | potencia (W) | calibre iga | circuitos | 
|---|---|---|---|
| Básico (para necesidades básicas) | 5750 | 25 | C1, C2, C3, C4 Y C5 | 
| 7360 | 32 | ||
| Elevado (para viviendas de más de 160 m2) | 11.500 | 50 | C1 a C5 + C6 a C12 | 
| 14.490 | 63 | 
IGA (Interruptor General Automático): corta la corriente de todos los circuitos al mismo tiempo en caso de sobrecarga de la instalación. Es de 25 A como mínimo y cuenta con "corte omnipolar con accionamiento manual".
PIAS: también conocidos como interruptores magnetotérmicos. Se encargan de proteger los aparatos y los conductores de cortocircuitos y sobrecargas. Cada PIA soporta la intensidad de su sección y las separa. Si bajas uno, solo cortarías la luz a esa parte.
Diferencial: este switch corta la conexión cuando se produce algún tipo de fuga de corriente a tierra. Eso previene las posibles descargas al tocar el aparato estropeado. Se diferencian por el valor de la sensibilidad, que en hogares es elevado (de 30 mA)
Lo habitual es hacer el cableado empotrado, pero debes saber que también es posible instalarlo superficial. Lo primero, claro, implica hacer obra para ejecutar las rozas en las paredes, introducir los cables e ir tapándolos. Luego tendrías que pintar.
¿Qué hay que saber aquí? Desde Leroy Merlín nos recomiendan colocar los tubos empotrados en trazos horizontales a 50 cm como mucho del suelo o del techo. Si son verticales estos no habrían de superar los 20 cm donde las esquinas hacen ángulo.

En cuanto al diámetro de los tubos, las medidas que indica el REBT varían en función del número de conductores que vayas a meter por cada canalización. Son indicaciones de mínimo.
| Selección nominal de conductores (mm2) | Diámetro exterior de los tubos (mm) | ||||
| Número de conductores | |||||
| 1 | 2 | 3 | 4 | 5 | |
| 1,5 | 12 | 12 | 16 | 16 | 20 | 
| 2,5 | 12 | 16 | 20 | 20 | 20 | 
| 4 | 12 | 16 | 20 | 20 | 25 | 
| 6 | 12 | 16 | 25 | 25 | 25 | 
| 10 | 16 | 25 | 25 | 32 | 32 | 
| 16 | 20 | 25 | 32 | 32 | 40 | 
| 25 | 25 | 32 | 40 | 40 | 50 | 
| 35 | 25 | 40 | 40 | 50 | 50 | 
| 50 | 32 | 40 | 50 | 50 | 63 | 
| 70 | 32 | 50 | 63 | 63 | 63 | 
| 95 | 40 | 50 | 63 | 75 | 75 | 
| 120 | 40 | 63 | 75 | 75 | X | 
| 150 | 50 | 63 | 75 | X | X | 
| 185 | 50 | 75 | X | X | X | 
| 240 | 63 | 75 | X | X | X | 
Tras seleccionar tus concductores debes calcular la sección de los cables. Es un proceso bastante más técnico que te recomendamos que hagas con ayuda de expertos.
Hay distintos tipos de esquemas eléctricos pero el más utilizado es el unifilar. Te sonará porque es el que llevamos viendo toda la vida por todas partes, con las tomas y el cableado representado en alzado.

Empieza dibujando un boceto de la vivienda con todas sus habitaciones, y señalando dónde quieres que vayan los puntos de luz, las tomas de corriente (enchufes) y los interruptores. Piensa en tus necesidades y en lo que crees que te vendrá mejor.
Coge lápices o rotuladores de distintos colores y ve uniendo los enchufes de 10A. Luego haz lo mismo con los de 16A y finalmente con los de 25A. Recuerda que todo debe acabar en el cuadro general de protección, y que cada circuito tiene una función.
 
 Te recomendamos que antes de ponerte a dibujar tengas a mano un glosario con los distintos componentes de la instalación. Más que nada por entender los símbolos y saber dónde poner cada cosa.
 
 A la hora de reformar la instalación eléctrica siempre entra en juego un cierto componente de creatividad. Es ahí donde se nota la experiencia del profesional para resolver las peculiaridades de cada vivienda.
Dicho esto, hay unos mínimos a nivel de componentes que no deben faltar en cada estancia de la vivienda. Es necesario realizar un estudio detallado para ver cómo encaja el esquema en este contexto.
| EstanciA | mecanismo | unidades mínimas | 
|---|---|---|
| ACCESO | Pulsador de timbre | 1 | 
| VESTÍBULO | Puntos de luz Interruptor 10A | X | 
| Base 16A 2p + T | 1 | |
| SALÓN | Base 16A 2p + T | 3 | 
| Puntos de luz Interruptor 10A | X | |
| Toma de calefacción | 1 | |
| Toma de aire acondicionado | 1 | |
| DORMITORIOS | Puntos de luz Interruptor 10A | X | 
| Base 16A 2p + T | 3 | |
| Toma de calefacción | 1 | |
| Toma de aire acondicionado | 1 | |
| BAÑOS | Puntos de luz Interruptor 10A | X | 
| Base 16A 2p + T | 1 | |
| Toma de calefacción | 1 | |
| PASILLOS | Puntos de luz Interruptor 10A | X | 
| Base 16A 2p + T | 1 | |
| Toma de calefacción | 1 | |
| COCINA | Puntos de luz Interruptor 10A | X | 
| Base 16A 2p + T (C2) | 2 | |
| Base 25A 2p + T (C3) | 1 | |
| Base 16A 2p + T (C4) | 3 | |
| Base 16A 2p + T (C5) | 3 | |
| Toma de calefacción | 1 | |
| TERRAZA Y VESTIDOR | Puntos de luz Interruptor 10A | 1 | 
| GARAJES UNIFAMILIARES | Puntos de luz Interruptor 10A | 1 | 
| Base 16A 2p + T | 1 | 
Nos hemos dejado bastantes cosas fuera, pero con esto ya tienes más que de sobra para empezar a hacer tus pinitos con la instalación eléctrica. Recuerda, eso sí, no dar ningún paso sin consenso y seguridad, ni improvisar.
Una vez terminada será momento de empezar a ahorrar electricidad. Entra en nuestra web o llama al 900 622 700 y paga lo justo este invierno con Yoigo LUZ y GAS.